项目规格项目规格
额定值  2.5mA  5V  DC
定位旋转扭矩
320±150/200±70/120±50(gf.cm)
定位数16~20
操作寿命
30,000 cycles 
脉冲数10~16
整箱包装数量
2000/4000PCS



                                                                                                                                                                                                                         

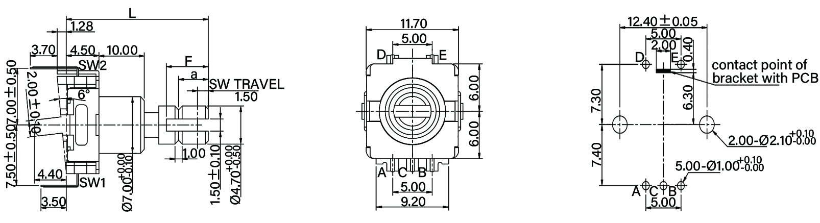
外形及安装尺寸








                                                                                                                                                                                                                         

目录下载  

申请规格书和样品

ZRE1113WU8-H01

ZRE1113WU8-H01

本站使用百度智能门户搭建 管理登录
在线客服