项目规格项目规格
使用功率As Per Individual Specification
行程
2 mm
接触阻抗100mΩ Max
使用寿命
10,000 cycles min.Unlonading 15-18cycles per min
绝缘电阻100MΩ at 500V DC
操作方式
正向拨动型
抵抗电压AC 500V for 1 minute
最小包装
100~500PCS/BAG
动作力

As Per Individual Specification





                                                                                                                                                                                                                         

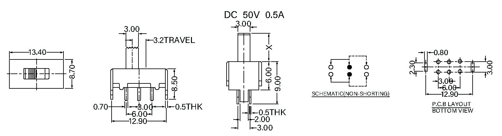
外形及安装尺寸








                                                                                                                                                                                                                         

目录下载  

申请规格书和样品

ZSS22F04

ZSS22F04

本站使用百度智能门户搭建 管理登录
在线客服