项目规格项目规格
额定功率DC 5V  10mA (1mA Min)
全程转角度
360°
绝缘阻抗DC 250V 1mA
旋转寿命
5,000~8,000 cycles 
端子和轴间电阻1Ω以下
储存温度
-40°C~+85°C
相位差
MIN ΔT≥0.08T
使用温度
-30°C~+80°C
耐电压
 1 minute at AC 300V 




                                                                                                                                                                                                                         

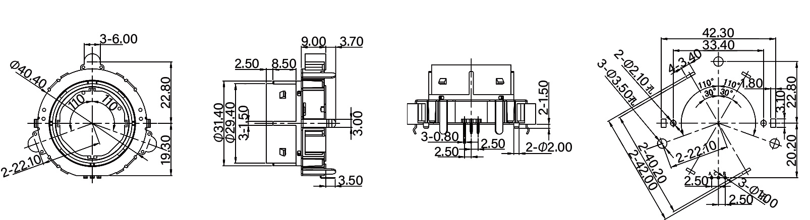
外形及安装尺寸








                                                                                                                                                                                                                         

目录下载  

申请规格书和样品

ZEC40

ZEC40

本站使用百度智能门户搭建 管理登录
在线客服